• Chemical Scrubber

Chemical Scrubber

Ang chemical scrubber ay isang advanced na scrubbing filter. Gumagamit ito ng isang espesyal na istraktura at isang malaking tiyak na lugar sa ibabaw ng regular na packing bilang mass transfer at dehydration packing. Kasabay nito, ayon sa iba't ibang sangkap na nagdudulot ng amoy sa amoy, ang katumbas na acid, alkali at oxidant ay ginagamit bilang absorption washing liquid upang alisin ang amoy sa espasyo at alisin ang epekto sa kapaligiran.

Ang mabahong daloy ng hangin ay dinadala sa pamamagitan ng air duct at pumapasok sa tore mula sa inlet ng tore. Matapos makapasok sa tore, ito ay dumadaan sa packing layer mula sa ibaba hanggang sa itaas, at sa wakas ay pinalabas mula sa tower top pipeline outlet sa pamamagitan ng anti-corrosion fan. Ang neutralizing solution ay dumadaan sa liquid separator sa tuktok ng tower, nag-spray nang pantay-pantay sa packing layer, dumadaloy pababa sa ibabaw ng packing layer hanggang sa ma-discharge ito mula sa ilalim ng tower sa pamamagitan ng pipeline, at i-circulate ng anti-corrosion circulation pump. Habang bumababa at bumababa ang konsentrasyon ng mga solute sa tumataas na daloy ng hangin, nakakamit ang pagpapaandar ng paglilinis kapag umabot ito sa tuktok ng tore, at ito ay pinalabas o patuloy na nililinis sa susunod na hakbang. Sa kabaligtaran, ang konsentrasyon ng daluyan sa pababang likido ay nagiging mas mataas at mas mataas, at umabot ito sa mga kondisyon ng proseso kapag ito ay umabot sa ilalim ng tore at pinalabas mula sa tore.

Mga kalamangan ng spray packing tower: Ito ay may mataas na kahusayan, maliit na kapasidad sa paghawak ng likido, magaan ang timbang, at madaling operasyon, na nagpapahintulot sa mga manggagawa na makapagsimula kaagad. Maaaring mapili ang tagapuno ayon sa mga kondisyon ng pagtatrabaho na ibinigay ng customer. Mayroong maraming mga uri, at ang mga singsing ng bola na lumalaban sa kaagnasan ay karaniwang ginagamit. Gayunpaman, dapat tandaan na ang solid suspended matter ay maaaring makabara sa filler dahil sa malaking particle diameter nito, kaya ito ay karaniwang hindi angkop para sa solid matter treatment. Halimbawa, ang NH₃, HCl, H₂S, nitrogen oxides at organic waste gas na nabuo ng mga pabrika ay mabisang magamot sa kagamitang ito.

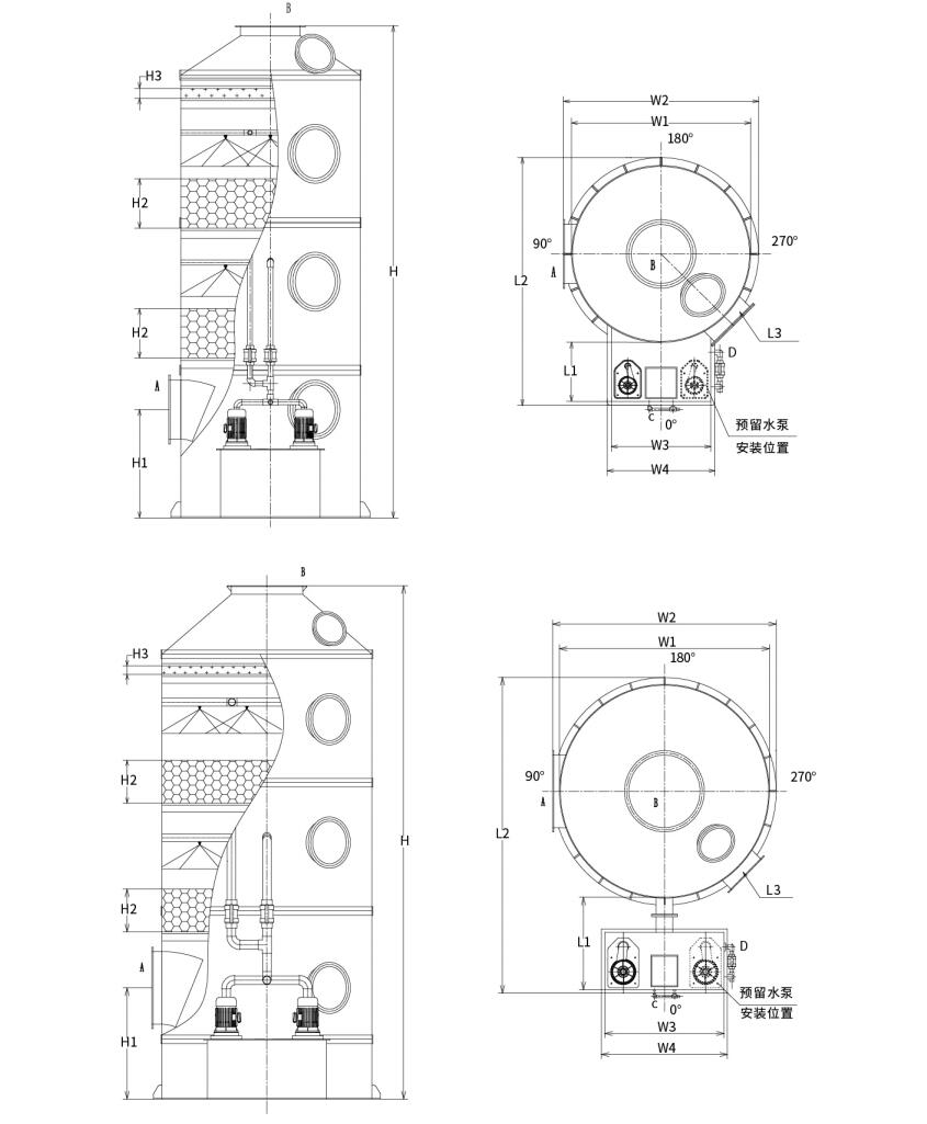
Istraktura ng kemikal na scrubber:
Gaya ng ipinapakita sa figure: Kasama sa kumpletong naka-pack na spray scrubbing system ang mga sumusunod na bahagi:

1. Ang katawan ng tore na gawa sa PP (polypropylene) na mga sheet;

2. Packing support frame na gawa sa PP grating panel;

3. Pag-spray ng mga connecting pipe na gawa sa UPVC;

4. PP spiral nozzles;

5. Hollow ball o Pall ring packing;

6. Corrosion-resistant PP circulation pump;

7. Mesh demister layer;

8. Manu-mano at awtomatikong mga kagamitan sa muling pagdadagdag ng tubig;

9. Overflow at drainage pipe;

10. Inspeksyon window.

Pagpili ng kemikal na scrubber:
Talaan ng Teknikal na Parameter ng Naka-pack na Spray Scrubber

Upang matiyak ang kaginhawahan at kaligtasan ng transportasyon, ang mga PP na naka-pack na spray scrubber ay nahahati sa dalawang uri:

Uri 1: Pinagsama-samang tangke ng tubig na naka-pack na spray scrubber (Tower diameter: Φ1000mm-Φ2200mm)

Uri 2: Split-type na tangke ng tubig na naka-pack na spray scrubber (Tower diameter: Φ2500mm-Φ3500mm)


Mga Detalye ng Modeloong Naaayon sa Kapasidad ng Airflow:

Model Dami ng hangin Laki ng device Power pump ng tubig Kapal ng pagpuno Ang bilis ng hangin Materyal ng kagamitan
LRTL-600 0-1500m³/h Φ600x3000 0.75kw 500*2 1.48m/s PP/304/Q235/FRP
LRTL-800 1501-2500m³/h Φ800x3000 0.75kw 500*2 1.39m/s PP/304/Q235/FRP
LRTL-1000 2501-4000m³/h Φ1000x5000 1.5kw 500*2 1.42m/s PP/304/Q235/FRP
LRTL-1200 4001-6000m³/h Φ1200x5000 2.2kw 500*2 1.48m/s PP/304/Q235/FRP
LRTL-1500 6001-9500m³/h Φ1500x5000 3.75kw 500*2 1.5m/s PP/304/Q235/FRP
LRTL-1800 9501-14000m³/h Φ1800x5000 5.5kw 500*2 1.53m/s PP/304/Q235/FRP
LRTL-2000 14001-17000m³/h Φ2000x6000 5.5kw 500*2 1.5m/s PP/304/Q235/FRP
LRTL-2200 17001-20000m³/h Φ2200x6000 7.5kw 500*2 1.46m/s PP/304/Q235/FRP
LRTL-2500 20001-27000m³/h Φ2500x6000 7.5kw 500*2 1.53m/s PP/304/Q235/FRP
LRTL-2800 27001-33000m³/h Φ2800x6000 15kw 500*2 1.49m/s PP/304/Q235/FRP
LRTL-3000 33001-38000m³/h Φ3000x6800 15kw 500*2 1.49m/s PP/304/Q235/FRP
LRTL-3200 38001-44000m³/h Φ3200x6800 15kw 500*2 1.52m/s PP/304/Q235/FRP
LRTL-3500 44001-55000m³/h Φ3500x6800 15kw 500*2 1.5m/s PP/304/Q235/FRP

Tandaan: Maaaring i-customize ang mga hindi karaniwang disenyo ayon sa mga kinakailangan ng customer.

Diagram ng pagpili:

Hangzhou Lvran Environmental Protection Group Co., Ltd.

  • 1000+

    Mga customer ng unit ng serbisyo

  • 2000+

    Mga Kaso ng Pambansang Inhinyero

Ang Hangzhou Lvran Environmental Protection Group Co., Ltd. ay isang komprehensibong waste gas treatment system engineering service provider at equipment manufacturer, na pinagsasama ang R&D, mga teknikal na serbisyo, disenyo, produksyon, pag-install ng engineering, at after-sales service.

We are China Chemical Scrubber Suppliers and Wholesale Chemical Scrubber Exporter, Company. Ang Grupo ay isang pambansang high-tech na negosyo, isang negosyo sa agham at teknolohiya ng Zhejiang Province, isang rehiyonal na R&D center, at isang AAA-rated na credit unit. Nagtataglay ito ng mahigit 30 utility model patent, maraming invention patent, at software copyright. Ang Grupo ay may matagal nang teknikal na pakikipagtulungan sa R&D sa mga domestic na unibersidad at institusyon, kabilang ang "Environmental Innovation R&D Center" na itinatag kasama ng Anhui University of Science and Technology at ang "Plasma Energy and Environmental New Technology R&D Center" na pinagsama-samang binuo kasama ang Zhejiang Sci-Tech University. Ang Grupo ay nagtatag ng sarili nitong R&D at production base para sa malalim na teknikal na pakikipagtulungan. Ang Grupo ay nagtataglay ng pangunahing VOC gas treatment technology, mayroong Level 2 general contracting qualification para sa municipal public works construction, safety production license, Class B special design qualification para sa environmental pollution control sa Zhejiang Province, unclassified labor service qualifications, at specialized contracting para sa mga espesyal na proyekto. Ang Grupo ay sertipikado sa ISO9001 para sa internasyonal na kalidad, ISO14001 para sa pamamahala sa kapaligiran, at ISO45001 para sa kalusugan at kaligtasan sa trabaho.

KARANGALAN at SERTIPIKO

Ang mga sumusunod na parangal ay kumakatawan sa aming kinang. Nanalo kami ng mga customer na may mataas na kalidad na mga produkto at nakakakuha ng mataas na papuri mula sa merkado at lahat ng antas ng pamumuhay na may mahusay na serbisyo.

  • Isang plate-type high electric field basic unit at reactor para maiwasan ang pagtagas sa ibabaw
  • Isang reaction device para sa synthesising methanol gamit ang carbon dioxide at tubig at isang paraan para sa synthesising methanol gamit ang carbon dioxide at tubig
  • Naglilinis ng sarili electrostatic precipitator
  • Isang high-pressure fan na lumalaban sa kaagnasan na may function ng pagsasaayos ng direksyon ng hangin
  • Isang adjustable na self-cleaning na may mataas na kapasidad na fan
  • Pinagsamang catalytic gasification exhaust gas pre-treatment control system
  • Steam cleaning tuloy-tuloy na electrostatic field exhaust gas purification at treatment system
  • Mababang temperatura plasma UV photolysis exhaust gas purification equipment system
  • Sertipiko ng pagpaparehistro ng trademark
Kamakailang Balita at Kaganapan
Ibahagi sa iyo
Tingnan ang Higit pang Balita