Pakyawan ####

  • Cyclone Plate Wet Scrubber

Cyclone Plate Wet Scrubber

Ang cyclone scrubber tower ay karaniwang nagtatampok ng cylindrical tower body na nilagyan ng spiral baffle plates. Sa panahon ng operasyon, ang flue gas ay pumapasok mula sa ibaba ng tore nang tangential at umaagos paitaas. Ginagabayan ng mga blades ng baffle plates, ang gas ay umiikot paitaas, na nag-atomize ng likidong dumadaloy pababa sa mga plato upang maging pinong mga patak. Lumilikha ito ng malaking lugar ng kontak sa gas-likido. Ang mga droplet ay dinadala ng gas stream at umiikot, na bumubuo ng sentripugal na puwersa na nagpapahusay sa pakikipag-ugnayan ng gas-liquid. Sa kalaunan, ang mga droplet ay itinatapon sa dingding ng tore, dumadaloy pababa sa dingding patungo sa susunod na baffle plate, at muling i-atomize ng gas stream para sa karagdagang pagdikit. Gaya ng inilarawan, nakakamit ng likido ang masusing pakikipag-ugnayan sa gas habang pinapanatili ang epektibong paghihiwalay—pinaliit ang pagpasok ng ambon. Ang kapasidad ng pag-load ng gas-liquid ng sistemang ito ay higit sa doble kaysa sa karaniwang mga baffle plate.

Tinitiyak ng mahusay na mga kondisyon ng pakikipag-ugnay sa gas-liquid ng tore ang mahusay na pagsipsip ng mga basurang gas ng mga alkaline na likido. Bukod pa rito, ang cyclone scrubber tower ay nagpapakita ng mahusay na pagganap sa pag-alis ng alikabok. Ang mga dust particle sa gas ay nakukuha ng water mist sa spiral baffle plates, at ang mga particle at droplet na itinapon sa tower wall sa pamamagitan ng centrifugal force ay mabisa ring tinanggal. Bilang resulta, ang gas na lumalabas sa tore ay nagdadala ng kaunting alikabok at mga patak. Ang walang laman na tore na bilis ng hangin ay nasa pagitan ng 2.2–2.7 m/s.

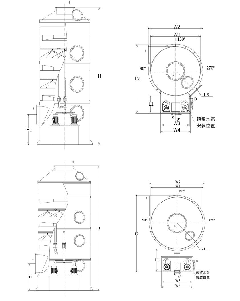
Swirl spray tower na istraktura:
Gaya ng ipinapakita sa figure: Kasama sa kumpletong naka-pack na spray scrubbing system ang mga sumusunod na bahagi:

● Ang katawan ng tore na gawa sa PP (polypropylene) sheet;

● Frame na ginawa gamit ang PP spiral baffles;

● Pag-spray ng mga connecting pipe na gawa sa UPVC (unplasticized polyvinyl chloride);

● PP spiral nozzles;

● Corrosion-resistant PP circulation pump;

● Demister layer (uri ng mesh/cyclone/baffle);

● Manu-mano at awtomatikong mga kagamitan sa muling pagdadagdag ng tubig;

● Mga overflow at drainage pipe;

● Window ng inspeksyon.

Mga parameter ng pagpili ng tore ng cyclone plate:
Upang matiyak ang kaginhawahan at kaligtasan ng transportasyon, ang mga PP cyclone scrubber tower ay nahahati sa dalawang kategorya ng detalye:

Uri 1: Pinagsamang water tank cyclone scrubber (Tower diameter: Φ1000mm-Φ2200mm)

Uri 2: Split-type water tank cyclone scrubber (Tower diameter: Φ2500mm-Φ3500mm)


Mga modelo ng cyclone scrubber tower na tumutugma sa kapasidad ng daloy ng hangin:

Modelo Saklaw ng dami ng hangin Laki ng device Power pump ng tubig Bilang ng mga swirl blades Saklaw ng bilis ng hangin Materyal ng kagamitan
XL-600 0-2800m³/h Φ600×2950 0.75kw 2 0-2.76m/s PP/304/Q235/FRP
XL-800 3800-5000m³/h Φ800×3300 0.75kw 2 2.11-2.77m/s PP/304/Q235/FRP
XL-1000 6000-7500m³/h Φ1000×4380 1.5kw 2 2.13-2.66m/s PP/304/Q235/FRP
XL-1200 8500-11000m³/h Φ1200×4430 2.2kw 2 2.09-2.71m/s PP/304/Q235/FRP
XL-1500 14000-17000m³/h Φ1500×5000 3.75kw 2 2.2-2.68m/s PP/304/Q235/FRP
XL-1800 20000-25000m³/h Φ1800×5650 5.5kw 2 2.19-2.73m/s PP/304/Q235/FRP
XL-2000 25001-30000m³/h Φ2000×6200 5.5kw 2 2.21-2.66m/s PP/304/Q235/FRP
XL-2200 30001-37000m³/h Φ2200×6700 7.5kw 2 2.19-2.71m/s PP/304/Q235/FRP
XL-2500 40000-47000m³/h Φ2500×6850 7.5kw 2 2.27-2.66m/s PP/304/Q235/FRP
XL-2800 49000-58000m³/h Φ2800×7900 11kw 2 2.21-2.62m/s PP/304/Q235/FRP
XL-3000 58000-68000m³/h Φ3000×8000 11kw 2 2.28-2.67m/s PP/304/Q235/FRP
XL-3200 68000-78000m³/h Φ3200×8000 15kw 2 2.35-2.7m/s PP/304/Q235/FRP
XL-3500 78000-88000m³/h Φ3500×8000 15kw 2 2.25-2.54m/s PP/304/Q235/FRP

Tandaan: Ang mga hindi karaniwang disenyo ay maaaring gawin ayon sa mga kinakailangan ng customer.

Diagram ng pagpili:

Hangzhou Lvran Environmental Protection Group Co., Ltd.

  • 1000+

    Mga customer ng unit ng serbisyo

  • 2000+

    Mga Kaso ng Pambansang Inhinyero

Ang Hangzhou Lvran Environmental Protection Group Co., Ltd. ay isang komprehensibong waste gas treatment system engineering service provider at equipment manufacturer, na pinagsasama ang R&D, mga teknikal na serbisyo, disenyo, produksyon, pag-install ng engineering, at after-sales service.

We are China Cyclone Plate Wet Scrubber Suppliers and Wholesale Cyclone Plate Wet Scrubber Exporter, Company. Ang Grupo ay isang pambansang high-tech na negosyo, isang negosyo sa agham at teknolohiya ng Zhejiang Province, isang rehiyonal na R&D center, at isang AAA-rated na credit unit. Nagtataglay ito ng mahigit 30 utility model patent, maraming invention patent, at software copyright. Ang Grupo ay may matagal nang teknikal na pakikipagtulungan sa R&D sa mga domestic na unibersidad at institusyon, kabilang ang "Environmental Innovation R&D Center" na itinatag kasama ng Anhui University of Science and Technology at ang "Plasma Energy and Environmental New Technology R&D Center" na pinagsama-samang binuo kasama ang Zhejiang Sci-Tech University. Ang Grupo ay nagtatag ng sarili nitong R&D at production base para sa malalim na teknikal na pakikipagtulungan. Ang Grupo ay nagtataglay ng pangunahing VOC gas treatment technology, mayroong Level 2 general contracting qualification para sa municipal public works construction, safety production license, Class B special design qualification para sa environmental pollution control sa Zhejiang Province, unclassified labor service qualifications, at specialized contracting para sa mga espesyal na proyekto. Ang Grupo ay sertipikado sa ISO9001 para sa internasyonal na kalidad, ISO14001 para sa pamamahala sa kapaligiran, at ISO45001 para sa kalusugan at kaligtasan sa trabaho.

KARANGALAN at SERTIPIKO

Ang mga sumusunod na parangal ay kumakatawan sa aming kinang. Nanalo kami ng mga customer na may mataas na kalidad na mga produkto at nakakakuha ng mataas na papuri mula sa merkado at lahat ng antas ng pamumuhay na may mahusay na serbisyo.

  • Isang plate-type high electric field basic unit at reactor para maiwasan ang pagtagas sa ibabaw
  • Isang reaction device para sa synthesising methanol gamit ang carbon dioxide at tubig at isang paraan para sa synthesising methanol gamit ang carbon dioxide at tubig
  • Naglilinis ng sarili electrostatic precipitator
  • Isang high-pressure fan na lumalaban sa kaagnasan na may function ng pagsasaayos ng direksyon ng hangin
  • Isang adjustable na self-cleaning na may mataas na kapasidad na fan
  • Pinagsamang catalytic gasification exhaust gas pre-treatment control system
  • Steam cleaning tuloy-tuloy na electrostatic field exhaust gas purification at treatment system
  • Mababang temperatura plasma UV photolysis exhaust gas purification equipment system
  • Sertipiko ng pagpaparehistro ng trademark
Kamakailang Balita at Kaganapan
Ibahagi sa iyo
Tingnan ang Higit pang Balita